提供公制与英制全规格参数,适用于薄板连接的高强度、可重复装配方案。
SK / SKC 它通过压铆工艺永久性地固定在薄板上。安装后,其顶部的卡扣结构可以利用弹性性能,在不使用螺丝或其他螺纹紧固件的情况下,将PCB板"扣"在螺柱上,实现快速固定和拆卸.
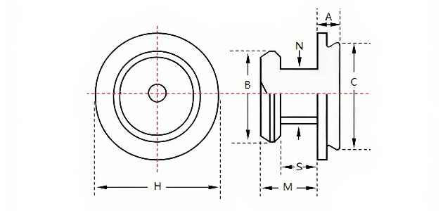
SK-F / SKC-F 是一种自对心压铆卡柱,其核心功能并非提供支撑间隔,而是用于连接、对齐和固定两层紧密贴合的薄板。它通过压铆工艺永久性地安装在第一层板(主板)上,其顶部的卡扣结构用于精确地卡紧第二层板(副板),形成一个平整、稳固的板对板连接。
| 型号 | 规格 | 尺寸 | ||||||
|---|---|---|---|---|---|---|---|---|
| 碳钢 | 不锈钢 | 代号 | A ±0.08 | B ±0.08 | C Max | S Max | M ±0.10 | H ±0.13 |
| SK | SKC | 61.5 | 2.51 | 4.50 | 5.39 | 1.73 | 2.75 | 6.35 |
| 型号 | 规格 | 尺寸 | ||||||
|---|---|---|---|---|---|---|---|---|
| 碳钢 | 不锈钢 | 代号 | A ±.003 | B ±.003 | C Max | S Max | M NOM | H |
| SK | SKC | 6060 | .099 | .177 | .212 | .068 | .108 | .250 |
| 型号 | 安装代码 | 板厚 | 规格 | 尺寸 | |||||||
|---|---|---|---|---|---|---|---|---|---|---|---|
| 碳钢 | 不锈钢 | 代号 | A Max | B ±0.08 | C Max | S ±0.08 | M Max | N ±0.08 | H ±0.1 | ||
| SK | SKC | F | 1.5 | 1 | 1 | 4.5 | 5.39 | 1.73 | 2.75 | 2.5 | 6.02 |
| 型号 | 安装代码 | 板厚 | 规格 | 尺寸 | |||||||
|---|---|---|---|---|---|---|---|---|---|---|---|
| 碳钢 | 不锈钢 | 代号 | A Max | B ±.003 | C Max | S ±.003 | M Max | N ±.003 | H ±.003 | ||
| SK | SKC | F | 1.5 | 6060 | .039 | .117 | .212 | .068 | .108 | .099 | .237 |
提供选型建议与打样支持
17606690588
454766543@qq.com
广东省东莞市大朗镇富通路571号301室