提供公制与英制全规格参数,适用于薄板连接的高强度、可重复装配方案。
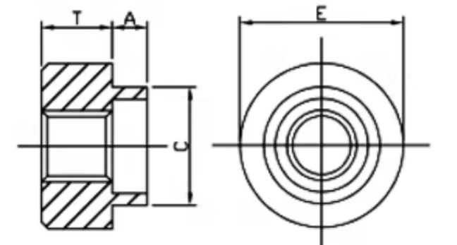
涨铆螺母有两种外形:一种六角形,用NZ / NZS表示;另一种为圆形,用Z / ZS表示。一般在板材上开好孔,把涨铆螺母放进孔内,通过压力机扩张铆接口使其固定在板材上。
| 螺纹×螺距 | 型号(碳钢) | 型号(不锈钢) | 螺纹代码 | 规格代号 | A ±0.1 |
最小板厚 | 板孔径 +0.08 |
C Max. |
E ±0.25 |
T ±0.25 |
|---|---|---|---|---|---|---|---|---|---|---|
| M3×0.5 | Z | ZS | M3 | 1.0 | 1.0 | 1.0 | 5 | 4.98 | 7 | 3 |
| 1.2 | 1.2 | 1.2 | ||||||||
| 1.5 | 1.5 | 1.5 | ||||||||
| 1.7 | 1.7 | 1.7 | ||||||||
| 2.0 | 2.0 | 2.0 | ||||||||
| 2.2 | 2.2 | 2.2 | ||||||||
| 2.5 | 2.5 | 2.5 | ||||||||
| M4×0.7 | Z | ZS | M4 | 1.0 | 1.0 | 1.0 | 6 | 5.98 | 8 | 4 |
| 1.2 | 1.2 | 1.2 | ||||||||
| 1.5 | 1.5 | 1.5 | ||||||||
| 1.7 | 1.7 | 1.7 | ||||||||
| 2.0 | 2.0 | 2.0 | ||||||||
| 2.2 | 2.2 | 2.2 | ||||||||
| 2.5 | 2.5 | 2.5 | ||||||||
| 3.0 | 3.0 | 3.0 | ||||||||
| M5×0.8 | Z | ZS | M5 | 1.0 | 1.0 | 1.0 | 8 | 7.95 | 10 | 5 |
| 1.2 | 1.2 | 1.2 | ||||||||
| 1.5 | 1.5 | 1.5 | ||||||||
| 1.7 | 1.7 | 1.7 | ||||||||
| 2.0 | 2.0 | 2.0 | ||||||||
| 2.2 | 2.2 | 2.2 | ||||||||
| 2.5 | 2.5 | 2.5 | ||||||||
| 3.0 | 3.0 | 3.0 | ||||||||
| M6×1.0 | Z | ZS | M6 | 1.2 | 1.2 | 1.2 | 9 | 8.98 | 11 | 6 |
| 1.5 | 1.5 | 1.5 | ||||||||
| 1.7 | 1.7 | 1.7 | ||||||||
| 2.0 | 2.0 | 2.0 | ||||||||
| 2.5 | 2.5 | 2.5 | ||||||||
| 3.0 | 3.0 | 3.0 | ||||||||
| 3.5 | 3.5 | 3.5 | ||||||||
| M8×1.25 | Z | ZS | M8 | 1.5 | 1.5 | 1.5 | 11 | 10.98 | 13 | 6 |
| 2.0 | 2.0 | 2.0 | ||||||||
| 3.0 | 3.0 | 3.0 |
注:Z=碳钢型,ZS=不锈钢;单位:mm。不同厂商/批次可能略有差异,本表用于工程参考。
| 螺纹×螺距 | 型号(碳钢) | 型号(不锈钢) | 螺纹代码 | 规格代号 | A ±0.1 |
最小板厚 | 板孔径 +0.08 |
C Max. |
H ±0.25 |
T ±0.25 |
|---|---|---|---|---|---|---|---|---|---|---|
| M3×0.5 | NZ | NZS | M3 | 1.5 | 1.5 | 1.5 | 5 | 4.98 | 6 | 3 |
| 2.0 | 2.0 | 2.0 | ||||||||
| 3.0 | 3.0 | 3.0 | ||||||||
| M4×0.7 | NZ | NZS | M4 | 1.5 | 1.5 | 1.5 | 6 | 5.98 | 7 | 4 |
| 2.0 | 2.0 | 2.0 | ||||||||
| 3.0 | 3.0 | 3.0 | ||||||||
| M5×0.8 | NZ | NZS | M5 | 2.0 | 2.0 | 2.0 | 8 | 7.95 | 9 | 5 |
| 3.0 | 3.0 | 3.0 | ||||||||
| 4.0 | 4.0 | 4.0 | ||||||||
| M6×1.0 | NZ | NZS | M6 | 2.0 | 2.0 | 2.0 | 9 | 8.98 | 10 | 6 |
| 3.0 | 3.0 | 3.0 | ||||||||
| 4.0 | 4.0 | 4.0 | ||||||||
| 5.0 | 5.0 | 5.0 | ||||||||
| 6.0 | 6.0 | 6.0 | ||||||||
| M8×1.25 | NZ | NZS | M8 | 3.0 | 3.0 | 3.0 | 11 | 10.98 | 12.7 | 6 |
| 4.0 | 4.0 | 4.0 | ||||||||
| 5.0 | 5.0 | 5.0 | ||||||||
| 5.0 | 6.0 | 6.0 |
注:NZ=碳钢型,NZS=不锈钢;单位:mm。不同厂商/批次可能略有差异,本表用于工程参考。
提供选型建议与打样支持
17606690588
454766543@qq.com
广东省东莞市大朗镇富通路571号301室